Hvordan velge 12 volt og LED-krus
Tittel: LED 
Blant alle de mest populære LED-lampene på gaten er den spesielt egnet for LED-lamper 12 V. Hvordan skiller den seg fra konvensjonelle LED-lamper og kroppsbelysning? Er du god eller dårlig? La oss se nærmere på denne opplevelsen og la oss analysere spørsmålet.
Inneslutning: 1. Typer 12-volts- og LED-lamper og tech capacci 2. Noen kryper 3. Opplegg på ledningen 4. Fordeler og ulemper
Typer 12-volts- og LED-lamper og tech capacci
Vsichki 12 volt og krushki kan klassifiseres som sporet, følg noen kriterier:
- design;
- utgangspunkt;
- fargetemperatur;
- makt
Strukturell utførelse
Apparatene produseres i sylindre med ulike former og størrelser, avhengig av formålet. De kan og imitere enhver form for solid ygl for dekning med en lys strøm - fra 100 til 360 grader.

Forsegling av lampen med en sektor for dekning på 120 (venstre) og 360 grader
Åpne uredi som egen kategori. De som ikke er en beskyttelse mot ytre påvirkning og kraft er skjerf med lysdioder og standardbaser, installert på toppen.

Åpnet Design 12V LED-pære
sokkel
LED-deksler med lav spenning tilbys med forskjellige, men standard type caps - E27, E14, G4, G13, GU10, T10, BA15S, FT10, T10, H1-H11 og andre behandling for siste.

Vi tilbyr alle 12-volts og LED-deksler med ulike typer underlag
fargetemperatur
12-volts LED-lyskilder tilbys i ulike farger og temperaturer. Tova er vanligvis studena, nøytral og varm lys.Du kan velge ønsket fargetemperatur, som er angitt på emballasjen.

Tazi-lampen for varmen fra drivstoffet var lys (fargetemperatur 2700 K) tilbake kjm sdzharzhanieto ↑
Noen kryper
Thanksgiving på tyahnoto lavspenning og golyam broy grunnleggende typiske, 12 volt og LED-plugger er virkelig gvkavi. Den kan brukes til både generell og punktbelysning - vanligvis i spotlights, inkludert karakterer i opnati tavani, og til dekorativ belysning - utad og utad. En egen kategori er bilulykker, som kan og kan monteres i nesten alle lyskarosserier for biler.
Krabbet på 12-volten og grytene i colaen
Den er lagret med lav spenning, og enhetene er utstyrt med elektriske og brannsikkerhetsanordninger og leder dem, hvis mulig, til lokalene med høy luftfuktighet og fare for brann og eksplosjon:
- kjøkken;
- bad;
- badstuer;
- svømmebassenger, inkludert undervannsbelysning;
- lager;
- Mazet;
- på åpent uten spesielle beskyttelsesmålinger og på kabelen med økt isolasjon.

Brukes til 12-volts og LED-kilder for belysning for belysning og bakgrunnsbelysning tilbake kjm sdzharzhanieto ↑
Opplegg på ledningen
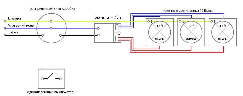
LED-belysningskropper og en konstant strøm fra 12 volt, så i tilfelle mye støy, så trenger du bare å installere en spesielt beskyttet enhet (PSU). Egnet for oppbevaring på LED-stripen med passende strøm eller annet, som gir en konstant og godt stabilisert spenning fra 12 volt. Beskytt for eksempel blokken fra datamaskinen (12-volts buss).


Beskytt for LED-lamper 12 volt 18 watt
Det er ikke vanskelig å holde enheten koblet til lampen, og det er trygt å bruke 12 volt, og verket kan perverteres uansett. For ja, send varene, sørg for at du forstår innkommende/utgående merking og det er ikke nødvendig å ha alle polaritetshullene på leveransen.

Opplegg for å slå på en 12 volt lampe for å belyse nettverket (polaritet på bryteren er ikke en verdi)
Om nødvendig kan du bruke én enhet for å lagre en gruppe lamper. I dette tilfellet er lampe en parallellkopling av kilden på lageret.

Koblet til en gruppe på 12 volt og kroppsbelysningsapparater til en enkelt butikk tilbake kjm sdzharzhanieto ↑
Fordeler og ulemper
På en eller annen måte annenhver opplysende ånd, 12 - snu knokene og mat dine privilegier og mangler. Tilbudene inkluderer:
- Elektrisk sikkerhet. Spar det fra 12 volt, det er på en eller annen måte trygt for horata dory når det kuttes i deler under spenning. Takk til kamerat Nito Illuminator, Nito Cabelovaneto Km Tyakh og spesielle tiltak for beskyttelse: Elektrisk sikre lamper, kabelkanaler, dobbel isolasjon, korrugerte Rakavi, Difavtomati, etc.
- Brannsikkerhet. For noes skyld bevarer den spenningen, den beskytter ikke spenningen, den kobler ikke, den skaper fortsatt en farlig strøm for lekkasje, som kan forårsake en tilkobling og brann, eller ved et uhell oversvømme den med vann. En slik lyskilde er ideell for fuktige og eksplosive miljøer.
- Standard kjeller. De tilbyr alle 12-volts plugger med standard stikkontakter E27, E14, G4, G13, GU10 m.fl. Dette produktet lar deg bruke LED-plugger i stedet for andre typer enheter, som halogenlyskilder, uten å bytte lampe. Tova vazi spesielt for shofyorite, ty kato er knust på typen patron i farovet eller side lys linje er ikke den vanskeligste, men forståelig og umulig.

Takava krus kan være bare ja, dette er en frontlykt, uten ja, dette er en nylig omarbeidelse
Når du bytter ut de konvensjonelle lampene med LED-analoger fra 12 volt, er basen slått av, og det er nødvendig å forstå at selve lampen ikke er byttet ut. Kartet på svarzvanen er sannsynligvis mer ustabilt og har blitt endret. Hvis du bytter lampen og beskytter den mot forskjellige spenninger, kan du prøve å installere 12-volts driveren.
Ima 12 -volt og LED-hetter og mangler. Base sa:
- Nødvendighet av tilleggsutstyr... Ako nyamate er forhåpentligvis stabilisert 12V nettverk, togawa, noen ganger bruk en takiva lampe, prøv igjen og installer en 12-volts butikk - driveren.
- Høyt strømforbruk... Husk formelen for å beregne kraften: kraft \u003d spenning * strøm. Ako 12-watt lampe 220 V forbrukerstrøm fra 12 W / 220 V = 0,055A (55 mA), togawa 12 V LED-lampe med redusert effekt "lav" mer: 12 W / 12 V = 1 A! Tova iziskva tezhko kabelevane, noen tryabva ja bde redusert til et minimum. Med lang lengde på lederen er spenningen enda lavere i toppen og lampene lyser fortsatt halvveis.
Hvordan lære å representere 12-volts LED-lamper, og hvordan man lærer dem fordeler og ulemper. Ved vennlighet eller ved ondskap fra andre kilder i Svetlina? Tenker, hvorfor nå vil du ordne opp selv.
TidligereLEDHvordan reparerer du 220V LED-pluggerNesteLEDHvordan velge en LED-lampe til hjemmet ditt
