Hvordan kan du velge og bruke en dimmer for en lampe fra en søppelkasse
Tittel: Arter og typer lamper 
Lys fra en søppelkasse, til tross for tyahnat av ineffektivitet og lettsindighet, er de fortsatt til stede i utvalget av butikker som selger kroppsbelysning. De tiltrekkes fra en lav pris, og moderne utstyr er utstyrt for en kabel, hjelp, og alle bruker den økonomisk. Til dette brukte jeg en dimer til en lampe med søppelkasse.
Inneslutning: 1. Funksjoner og enhet 2. Sortova 3. Ordninger på ledningen 4. Rett kontrollen mot lysstyrken 5. Ta til bruk 6. exit
Funksjoner og enhet
Oppgaven til dimer eller dimer er ja osiguri muligheten til å bruke den til å lette opp med komfort, som er å synge energi i tide.
Viktig! Dimmer (dimmer) er en bokstavelig oversettelse fra engelsk e "shock absorber", "dimmer".
Funksjoner:
- Formiran for koselige og behagelige forhold for ulike aktiviteter i boligrommet. Hvis det er nødvendig, øker intensiteten for Svetlinat. For eksempel, for en jevn, dokato slappe av eller se en film, er kraften semantisk.
- Så elementet fra systemet er mer enn et stilig tillegg til interiøret. Pluss tova, kontrollerbar på intensiteten av lyset hjelper og støtter den attraktive stilen.
- Malt for forbruk, deretter for strøm. Intensiteten av letthet i et eller annet øyeblikk er regulert av sin egen pris.
- Multifunksjonalitet. Osven che kontroller av lysets intensitet, leketøy og rull på forhåndsbryteren.
Hvordan fungerer dimert?
Ruskiyat tilsvarer den engelske "dimmer" e dimerat. Den fremre reostaten spilte en lignende rolle.Men her er det ikke spørsmålet ditt for utgifter til elektrisitet, det er bare en avklaring, det er ikke lysende fornuftig for det faktum at det ofte kommer fra energi, det leveres på en lampe, det blir omgjort til drivstoff.

Utvendig visning av dimeren, installert opp til forhåndsbryteren
Med predvaneto halvlederteknologi dimerite se promenija. Baser "heltene" i regulatoren satriakt og dinistort. 2-veis regulator lyspære.
Ta den fra hverandre, sett den på regulatoren vv verigata yama og rett knoken fra ikonet som trykkes. Malt på lysintensiteten med 50 % pluss 15 % besparelse på energi.
Plusser og minuser på dimmer
Izpolzvaneto på razglzhdanoto kabelevana ima er en ressurs med overvekt, blant koito:
- Praktisk og lett å kontrollere lysintensiteten på en bestemt enhet.
- Justert på parameteren for energieffektivitet.
- Økes med en bruksperiode for hver separat lampe med et tent kull. Thanksgiving går jevnt av og på, uten et plutselig hopp.
- For å slå på lampen fra den tente knappen med en minimumsintensitet, kan lyset stå på når du er borte. Kamerat sjzdade kastet ut for tilstedeværelsen av eieren på kashchat. Tova mener at risikoen for å bli slikket på lovbrytere i kashtaen fortsatt er liten.
- Muligheter for å administrere en dimer på ulike måter. Så sammenlign modeller og ha muligheten til å fjernstyre gjennom overføring av et lydsignal eller fjernkontroll.
- Å installere den på regulatoren vil hjelpe deg å unngå å installere den på en ekstra lyskilde med en reduksjon i kraft.
- Multifunksjonalitet - det avhenger av avhandlingen til enheten for å utføre funksjonen på bryteren.
- Innstillingen for intensitet på letthet er midlertidig, noe som betyr at du kan legge til eller kaste tosi-parametere når som helst.
Ima og ulemper:
- Trepteneto er ikke sannsynlig, men intensjonene er ganske solide.
- De som er følsomme for temperaturendringer, spesielt når pregryavane er uønsket. Hvis regulatoren skader den av hensyn til årsaken, kan feilen fjernes uavhengig.

Dimmer når du arbeider med en lampe med trykkbar knapp tilbake kjm sdzharzhanieto ↑
Sortova
Det er mange muligheter for regulatorer på gården, de som imiterer handlingsprinsippet, men metodene for å kontrollere det er forskjellige:
- Konverterer. Design mu e nay - tilgi meg, av en eller annen grunn til en overkommelig pris. Distribusjon av dette på rotasjon av denne organisasjonen for forvaltning av e nai-golyamoto miljøer i en annen form. Hovedmekanismen er å endre motstanden, som vil endre den, intensiteten for å lette endringen. Nai-chest de kombinerer og prevklyuchatel - hvis du setter minimumskostnaden per dimer, så, kamerat, ekskluder svetlinat fra flokken.
- Roterende angrep. Funksjonen er på jobb, men for ja, slå på / av svetlinat i flokken, prøv og klikk på den. Flyttet fra kneet for å gi lysstyrkekontroll på toppen.
- Nøkkel. Dosta frisk utvikling, så che fortsatt ikke lagt popularitet. Utseendemessig ligner den mye på en standardbryter. Reguliraneto på intensiteten av lys er pervertert ved hjelp av nøkkelen. De er faktisk regulert av forskjellige angrepskrefter.
- Sensorisk. Utviklingen er nyskapende, mange av hareswahens klienter er nesten blinde. Ima er attraktiv, moderne design - yama butoni, kolella og andre mekanismer for kontroll, forestill deg i et fjell. Kontrollen er fullstendig oppfinnsom ved hjelp av en sensor, analogt med navigasjon på en smarttelefon eller nettbrett.
- Kabel. Enheten er nesten katatonisk for rotasjon. Samiyat har endret se namira-motstanden til kabelen.

Dimery vrtyaschie og dope
Designet for dimeren avhenger av skjemaet, brukt av produsenten. Det er en slik forskjell i kvaliteten på samataen og redigeringen. I noen mekaniske variatorer og komponenter, som er unnskyldt for stabilt arbeid på enheten, er jevnheten for regulering forbedret og evnen til å arbeide med lav effekt.
Ima-modeller, i koito ima butoni (sensorni eller obiknoveni), ved hjelp av forbrukere, kan de reguleres. Egenskaper:
- Koblet til fjernkontrollen for kontroll av variatoren i ulike deler av flokken.
- Fjernkontroll for lysstyrke.
- Organisert for avklaring, et program er forhåndsinnstilt.
- Når den er koblet til dimeren, lysnes sensoren, av en eller annen grunn justeres lysstyrken på lampen automatisk.
Nyanser å velge mellom
Det er praktisk og praktisk å bruke dimeren, men produktet er mulig i seg selv med riktig valg. Jeg vil ta hensyn til:
- La oss kombinere med en lampe. På en eller annen måte veche spomenachme, regulatorens vitchki er egnet for lampene med søppelboksen.
- Visjon utsikt. Uansett hvor vanskelig det er å velge en enhet som er egnet for det ytre utseendet, er det fortsatt mulig å velge, inkludert alternativer med en atypisk design. Det er viktig at stil og samsvar med designet er kato cyalo.
- Prisklasse. Når du velger en modell for en lampe med en hotplugg, er det slemt å forstå og kjøpe en skyp sensorisk regulator.
- Elementer for sigurnost. For ja, send tov, enheten er tryabva og ima preksvach eller predpazitel.
- Makt Mye strøm er tilgjengelig, litt etter litt, otkolkoto i passet for produktet.
- Produsent Det er nødvendig å kjøpe mat og drikke selvregulatorer fra produsenter, noe de har bevist.I Tozi, saken ikke tryabva og telle seg for en pris, for å spionere på det, vil det være mye penger. Populære merker er Legrand, Derne Group, Simon, ABB.
Når du velger, prøv å ta hensyn til både typen og kraften til lampen, så vil du ta forutsigelsen av den generelle natovarvanen. Ekspertråd og legg til en reserve for kraft fra 10-20% av total kapasitet avhengig av resultatet og øk dimeren.
Viktig! Når du velger det, er det nødvendig å sjekke funksjonaliteten i butikken, ellers ville det være problematisk og returnere enheten.
Ordninger på ledningen
I motsetning til de forskjellige alternativene for regulatorene, diagrammet på sammenhengen mellom dagen og spise. Baser ideen din på bunnen.
Fra et enkelt punkt



Opplegget er egnet for dimerer. Den brukes i hovedsak til regulatoren med angrepet og dokosvane Rotering av frøkoderen kan bindes opp, men det kan til og med være vanskelig og til og med fungere.
Fra to punkter


Det er praktisk å installere enheten på en lignende måte som begynnelsen på soverommet, i korridoren, på søylen. Foren element e montirana på porten nær inngangen, gjenta nær det siste punktet på ruten. Svetlinata følger alt med den første variatoren, som fra den andre kan reguleres til ønsket intensitet eller helt utelukkes.
Ettpunktskontroll og topunktskontroll



Fra eksistensen av Tasi-ordningen er det praktisk. Kan brukes under forskjellige forhold. Ved inngangen til flokken e montiran brukes vanligvis en forhåndsbryter, på lokaliteten er det en regulator. På soverommet lå det ned, for barneflokken til barna, for kjøkkenet var arbeidet gjort. I dette tilfellet er lampestarteren slått på og ved hjelp av regulatoren for intensiteten til regulatoren.
Ett- og trepunktskontroll


Tazi er et alternativ for å koble sammen denne praksisen, som å prøve og kontrollere lyssetting fra to punkter. Det er praktisk når du installerer for belysning i korridorer, søyler, alle slags lange flokker. I tillegg til regulatoren bruker den ytterligere 2 forhåndsbryterpassasjer. Selve innsatsen er standard, det er et enkelt diagram.
Bytt til bryter med dimer
Algoritmen for å erstatte en konvensjonell nøkkel med en dimer er ganske enkel, prøv å forvrenge trinnene i den siste utgaven:
- Koble kabelen fra fordelingstavlen til målet.
- Demontering på forhåndsbryteren.
- Prouchvane på markeringen og stikk på regulatoren - piler komprimerer fasen.
- Har tenkt fazat for den gamle prekvasch. Ved sjekk med neonlys er kontaktindikatoren lysere.
- Svrzhete kam svar shiftove.
- Installasjon for dimer.
- Kutiyata på enheten og montirana på stenaten på flokken.
Nei - hedre syndene, som vil bli tillatt i tide for installasjonsprosessen:
- Installasjon under uegnede temperaturforhold, noe som resulterer i feil på enheten. Kritiske indikatorer +27 og mer.
- Det er viktig at du velger riktig opplegg for forbindelsen, for eksempel fokuser toppen av målet på gjennomgangen og destinasjonen er på flokken.
- For forskjellige typer lamper ble en enkelt dimer brukt.
Rett kontrollen mot lysstyrken
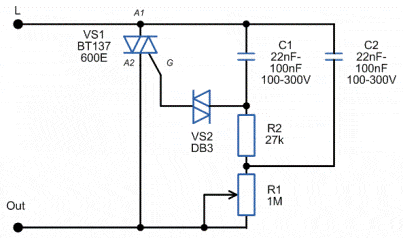
Kupuvaneto på regulatoren tar ikke mye familiebudsjett, men prøv sikkert og send slikt utstyr selv. Hovedårsaken til dette problemet er problemet med modellen, som ikke er egnet for belysningskroppen. Det presenterte alternativet er beregnet på å dimme utstrålingen til en lampe med en trykkbar knapp, som opererer på 220 V.
Hva er kravet for tova?
For ja, send en Nai-beklager modell, tryabva:
- Dinistor DB3.
- 700-watt triac VT134, ja du kan velge andre alternativer, for eksempel VT138, MAC212-8.
- Motstand 10 kOhm, tillatt effekt 0,25-2 watt.
- Den er kompakt etter å ha endret motstanden, motstanden er fra 470 til 500 kOhm.
- Poyalnik og Consumativi.
- justeringer.
- Brokadekabel med et perfekt tverrsnitt på 1 kvm. mm
- Isolasjonstape eller TUK med passende diameter.
Element tryabva ja bdat svyarzani i henhold til diagrammet i dalen.




Ta til bruk
Tazi-alternativet for kontroll på lynnedslag er praktisk, men det er en lek og du kommer deg av det; i henhold til tiden for arbeid, prøv og ta det fremsyn, følg argumentene:
- Hvis du kjøper en enhet for osiguri-parring, må du stille inn minimumsindikatorene for regulatoren. Selv i tilfelle av en lampat med en varm væske, vil den bli mer økonomisk med 15%. I andre tilfeller er svetlinata rett og slett irrasjonell.
- Ikke bruk den når temperaturen på oppholdet økte + 27⁰. Tova e ble henrettet med pregryavane og skade.
- Hvis regulatoren skader triacen, kan den siste erstattes. Osvent tova er god nok til å velge en triac med et tempel av prag for kraft. Årsaken til slik skade er tilkoblingen i tilkoblingen eller overskuddet på det akseptable produktet på enheten.
exit
Å bruke en dimer for en lampe med væske under trykk er enda mer kostnadseffektivt, men selve lysingen reduseres til et minimum.
PredishnaTyper og typer lamper med en god energisparende eller LEDNesteHvem oppfant du og hva er historien til oppfinnelsen?